
Footswitch Roland Cube Gx Youtube

Foot Sw Ext Speaker Cube 80xl Only Recording Out Phones Roland Cube 40xl User Manual Page 10 27

Roland Cube 40xl Owner S Manual Pdf Download Manualslib
Roland Cube 40xl Footswitch のギャラリー

Roland Cube 40xl And 80xl Guitar Amplifier Owner S Manual For Sale Ebay

Roland Cube 40xl Guitar Amplifier Cosm Combo Amp With Looper Tuner And Effects 135 00 Picclick Uk

Bright Onion Pedals Roland Cube 40xl 80xl Footswitch 35 00 Picclick Uk
Roland Cube 40xl Guitar Amp And Boss Dual Foot Switch Guitars Amps Gumtree Australia Kingborough Area Kingston Beach

Roland Cube 40xl Guitar Amplifier

Roland Cube 40xl Diy Footswitch Harck

M0xpd S Shack Nasties Cube 40xl Footswitch
Roland Cube 40xl Guitar Amp With Bright Onion Footswitch

Roland Cube 40 Xl Footswitch 175 00 Picclick Uk
Q Tbn And9gctzzgseltjhwtvbimtrhdniohsn8x 0jwz2ds5vopkg Pok6b5u Usqp Cau

Cube 40xl Guitar Amplifier Roland

Fs Roland Cube 40xl 100 Delivered Thefretboard
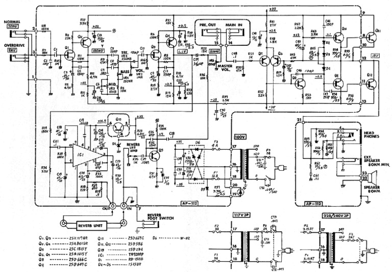
Roland Cube 40 Schematic

Roland Cube 40xl Guitar Amplifier Including Custom Built 2 Button Footswitch 104 00 Picclick Uk

Roland Roland Cube 40xl Or Cube 80xl Custom 6 Button Replacement Footswitch
Q Tbn And9gcqselwlfmct 18accpjgsq0f932ak1iw6gplwpbqdk5ikjfo6ny Usqp Cau
Roland Cube 40xl 80xl 6 Button Footswitch By Bright Onion Pedals

Diy Switches For Roland Cube 40xl Telecaster Guitar Forum
Bright Onion Footswitch For Roland Cube 40xl 80xl 40 Xl 80 Xl

Roland Cube 40xl Guitar Amplifier Used Huber Breese Music

Roland Cube 80xl Footswitches

Roland Cube 40xl Boss Dual Switch Pedal For Sale In Dundrum Dublin From Shane Lester
Roland Cube 40xl With Proel Foot Switch In Original Packaging

Roland Cube 40xl Guitar Amplifier

Roland Cube 80gx Cube 40gx Guitar Amplifier Sound Preview Youtube

New Amps And Effects Units Outed By Roland

Roland Cube 40xl For Sale In Dublin 2 Dublin From Ybra
Roland Cube 40xl With Proel Foot Switch In Original Packaging

Best Roland Cube Amps Beginner Guitar Hq
Bright Onion Footswitch For Roland Cube 40xl 80xl 40 Xl 80 Xl

Roland Cube Gx Amps Compare To Old Cube 80 Xl

Roland Cube xl Guitar Amplifier
Used Roland Cube 40xl W Footswitch The Music Store Sc Facebook
Q Tbn And9gcse84yi4flwffqlcyih5iknu84oaiq3zrhpzhq8zmrilmuds4ov Usqp Cau

M0xpd S Shack Nasties Cube 40xl Footswitch
Used Roland Cube 40xl W Footswitch The Music Store Sc Facebook

Roland Cube 40xl Guitar Amplifier Used Huber Breese Music

Switch Doctor Custom Footswitch Replacement For Rivera Fs 7 84 95 Picclick
Roland Cube 40xl 80xl 6 Button Footswitch By Bright Onion Pedals
Roland Cube 40xl Guitar Amp With Bright Onion Footswitch

Switching The Power On And Off Reverb Power Squeezer Cube 40xl Only Roland Cube 40xl User Manual Page 8 27 Original Mode

Roland Cube 40xl Cube40xl 40 Watt Guitar Amplifier

Guitar Amp Roland Cube 40xl Guitar Effects Pedal For Sale In Swords Dublin From Beergoggles

Roland Cube xl Guitar Amplifier
Q Tbn And9gct26ec0yeoaamlg9 Cpdb2ru7qnsyineuyozqaelj44ylukbyma Usqp Cau

Amp Footswitch 4 Steps With Pictures Instructables

Tentang Gitar Elektrik Adiksigitar Store Footswitch Diy Untuk Roland Cube xl 30xl Dan 40xl Murah

Roland Cube 40xl And Boss Fs 6 Foot Switch For Swap For Sale In Ballyboden Dublin From Pistonhead
Roland Cube 40xl With Proel Foot Switch In Original Packaging

Roland Roland Cube 40xl Or Cube 80xl Custom 6 Button Replacement Footswitch
Roland Cube 40 Xl Cosm With Built In Looper

Fs 6 Pedal Footswitch Homemade Diy Voucher For 3 For Roland Cube 80x Youtube

Amplifier Roland Cube 40xl Boss Dual Switch Pedal For Sale In Castleknock Dublin From Jordan1000

Owner S Manual Cube 40xl Cube 80xl Roland Cube 40xl User Manual Page 2 27 Original Mode

Second Hand Roland Amplifiers Rich Tone Music

Roland Cube 40xl Guitar Amplifier Made In China Catawiki

Roland Cube 40 Xl Elektro Gitar Amfisi Fiyati Mydukkan

M0xpd S Shack Nasties Cube 40xl Footswitch
無料でダウンロード Roland Cube 40xl Manual

Footswitch Roland Cube 40 Xl Foro Munon

Roland Cube 40xl Music Media Music Accessories On Carousell

Roland Footswitch Koolkat Voodooman Koolkat Coolcat Coolkat Koolcat
Roland Cube 40xl Modelling Guitar Combo Sold Other Musically Related Items For Sale Basschat
Roland Cube 40xl Guitar Amp With Bright Onion Footswitch

Roland 40xl 6 Button Footswitch By Koolkat Footswitch

Question About Ring Tip Sevenstring Org

Roland Cube xl Bass Bass Amplifier

Pedal Footswitch Fs 6 Casero Diy Vale X 3 Para El Roland Cube 80x Y Similares Youtube

Second Hand Roland Amplifiers Rich Tone Music

Cube 40xl 80xl Footswitch Bright Onion Pedals

Roland Cube 40xl Guitar Amplifier

Roland Ga Fc Ga Foot Controller

Diy Footswitch For Roland Cube Youtube

Roland Cube 40xl Guitar Amplifier

Footswitch Connections To Amp Confusion Thefretboard

Bright Onion Pedals Roland Cube 40xl 80xl Footswitch 35 00 Picclick Uk

Roland Cube 40 Xl Compact Guitar Amp Boss Fs 6 Fs 5u 40xl Extended On Popscreen

Roland Cube 40xl Guitar Amplifier No Reserve Mint Catawiki

Roland Cube 40xl And Boss Fs 6 Foot Switch For Swap For Sale In Ballyboden Dublin From Pistonhead
Bright Onion Footswitch For Roland Cube 40xl 80xl 40 Xl 80 Xl

Amplificador Roland Cube 40 Xl C Footswitch Fs 6 Incluso Instrumentos Musicais Parque Industrial Campinas Olx
Used Roland Cube 40xl W Footswitch The Music Store Sc Facebook

Roland Cube Gx Amps Compare To Old Cube 80 Xl
Bright Onion Footswitch For Roland Cube 40xl 80xl 40 Xl 80 Xl

Voodoo Man Footswitch Foot Switch For 80x And Other Roland Cube Amps Youtube

無料でダウンロード Roland Cube 40xl Manual

Cube 40xl 80xl Footswitch Bright Onion Pedals
Used Roland Cube 40xl W Footswitch The Music Store Sc Facebook

Lot 673 Roland Cube 40xl Guitar Amplifier Guitar Auctions Specialists In Fine Rare Antique Vintage Later Guitars The Uk S Premier Guitar Auction House

Amplifier Roland Cube 40xl Boss Dual Switch Pedal For Sale In Castleknock Dublin From Jordan1000

Roland Cube 40xl Guitar Amp For Sale In Harold S Cross Dublin From Alegiojon

Roland Cube 80xl Footswitches

Roland Cube xl w Bass Amplifier

Roland Cube Gx Amps Compare To Old Cube 80 Xl

Bright Onion Pedals Roland Cube 40xl 80xl Footswitch 35 00 Picclick Uk

Roland Cube 40xl Guitar Amplifier Made In China Catawiki

Returning To The Factory Default Settings Roland Cube 40xl User Manual Page 14 27

Cube 60xl 1xl Footswitch Bright Onion Pedals
Roland Cube 40xl 80xl 6 Button Footswitch By Bright Onion Pedals

Roland Cube 40xl Guitar Amplifier With Cables And Foot Switch By Roland 259 00 Specially Priced Package Includes The Roland Guitar Amp Roland Cube Bass Amps
Roland Cube 40xl With Proel Foot Switch In Original Packaging



